A49715.0100 exhaust system TAD1250VE reach stacker parts
A49715.0100 exhaust system TAD1250VE reach stacker parts for sale :
1. We supply both original and aftermarket products for you
2. From the manufacturer to the customer directly, saving your cost
3. Stable stock for normal parts
4. In Time Delivery Time, with competitive shipping cost
5. Professional and on time after service
Description
A49715.0100 exhaust system TAD1250VE reach stacker parts for sale:
Product introduction:
The Kalmar reach stacker DRF450 spare parts and exhaust spare parts.
Product advantages:
1. High-requirements quality management.
2. Use high-quality materials.
3. More accurate matching size.
4. Reduce the risk of damage.
5. Factory direct sales, price discount.
Details of A49715.0100 exhaust system TAD1250VE reach stacker parts:
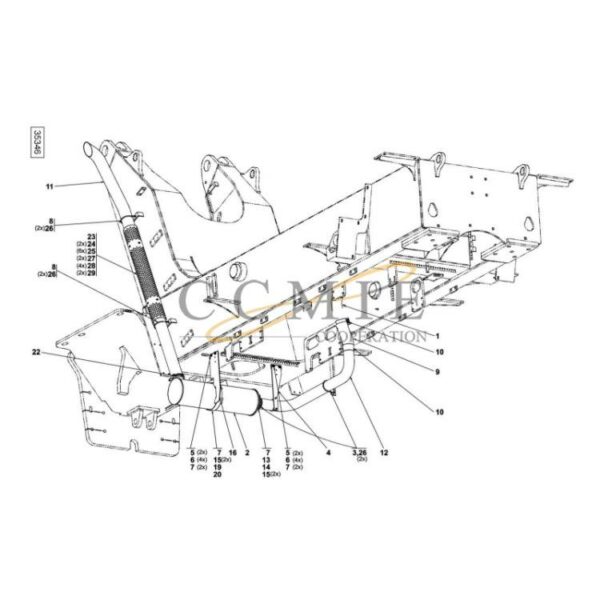
A49715.0100 DRAWING
1 – A13526.0800 Exhaust pipe
2 – 921079.0049 Silencer
3 – 923096.0015 Clamp
4 – A41668.0100 Bracket
5 – 3092 Screw
6 – 920165.005 Washer
7 – 5957 Nut
8 – 923096.0018 Clamp
9 – 920995.0021 Hose
10 – 922831.0008 Clamp
11 – A11290.3000 Exhaust pipe
12 – A14245.1600 Exhaust pipe FRONT
13 – 922136.0004 Clamp
14 – 3100 Screw
15 – 98150 BWasher
16 – A41168.0200 Bracket
19 – A41851.0200 Strap
20 – 921367.0003 Screw
22 – 922136.0011 Clamp
23 – 921079.0057 Cover
24 – 921079.0055 Bracket
25 – 924195.0001 Washer
26 – 920165.003 Washer
27 – 3065 Screw
28 – 98151 Washer
29 – 920076.002 Lock nut
CCMIE Group started to sell spare parts for XCMG, Shantui, SANY, Kalmar, SDLG, Komatsu, and Cummins engines in 2011. We have established four spare parts warehouses in Xuzhou, Jining, Kunshan, and Changsha in China, providing customers worldwide with a wide variety of high-quality spare parts. Our spare parts system can provide you with accurate and competitive prices in the shortest possible time. We are confident that we will become your excellent business partner!
1. As accessories’ prices fluctuate wildly, please consult us for details such as specific prices and shipping costs!
2. There are many kinds of accessories, which cannot be displayed one by one. We can find the correct accessories if you have the accessory part number/accessory nameplate/picture/machine nameplate!
3. We have a large inventory of commonly used spare parts in our warehouse, which can be delivered within three days!
Our company also supplies the four-wheel area of the chassis parts of bulldozers and excavators. The products are as follows:
(1) Shantui four-wheel area: Shantui guide wheel, Shantui drive wheel, Shantui support sprocket, Shantui drive wheel, Shantui tension, Shantui professional oil, Shantui sprocket tooth block, Shantui knife Angles, Shantui blades, Shantui construction machinery bolts, Shantui chain rails, Shantui track shoes, Shantui bucket teeth.
(2) Four-wheel belt: PC60. pc100. pc120, PC130. PC200, pc220. pC300. PC360. Pc400 series excavator driving wheels, guide wheels, tug wheels, driving teeth, tensioning devices, and chains.
(3) Yuchai four-wheel area: Yuchai yc85 driving wheel, Yuchai yc85 supporting wheel, Yuchai yc85 tensioning device, Yuchai 55 guiding wheel, Yuchai yc55 driving wheel, Yuchai yc55 tensioning device.
(4) Kobelco four-wheel area: Kobelco sk200-3 driving wheel, Kobelco 200-6 supporting wheel, Kobelco 200-3 supporting wheel, Kobelco 200-6 driving wheel.
(5) Sumitomo four-wheel area: Sumitomo 120 driving wheels, Sumitomo 200 driving wheels, Sumitomo 200 supporting wheels.
(6) Carter’s four-wheel area: Carter driving wheels, Carter supporting wheels, Carter guiding wheels,
(7) Doosan four-wheel area: Doosan dh55 driving wheels, Doosan dh220 driving wheels, Doosan dh220 supporting wheels.
(8) Three-one four-wheel belts: Three-one sy130 supporting wheels, three-one sy130 driving wheels, three-one 300 supporting wheels, and three-one 300 driving wheels.
Product Quick Navigation | ||||
FAQ
Q1: What payment methods can you accept?
T/T, Western Union, PAYPAL, Bank of China, HSBC
Q2: Can you pack me according to my request? How is the product packaged?
Yes, it is exported in neutral packaging in wooden or cardboard boxes.
Q3: What is the delivery time?
1) Spot: usually 3-5 days. It can be as fast as 24 hours.
2) Out of stock: According to the quantity you require, it usually takes 10-20 days, but we have a large amount of inventory.
Q4: What kind of transportation can you provide?
1) Large quantities of orders: sea or air freight. (We can give you the best price)
2) Small batch orders: DHL, TNT, UPS, FedEx, EMS, ARAMEX
Q5: Do you accept small orders?
Yes, small orders can be accepted.
Q6: What products can your company provide?
1) CCMIE brand hydraulic pump valves and other products, OEM, 100% genuine parts, COPY (made in China).
2) Genuine spare parts.






